Published:2011/7/19 19:29:00 Author:TaoXi | Keyword: motorcycle, anti-theft, alarm | From:SeekIC

The motorcycle anti-theft alarm which uses the 555 time-base integrated circuit is introduced in this article, and it can send out the alarm when the thief is moving the motorcycle vertically.
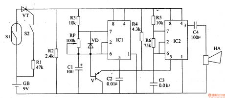
The principle of the circuit
The motorcycle anti-theft alarm circuit is composed of the trigger circuit and the alarm circuit, as the figure 7-85 shows.
The trigger circuit is composed of the mercury switch Sl, the resistors Rl and R2, the transistor VT.
The alarm circuit is designed as the multivibrator that is composed of the time-base integrated circuit ICl and IC2, the transistor V, the resistors R3-R6, the capacitors Cl-C4, the diode VD.
S2 is the lock control switch, GB is the power supply, HA is the motorcycle electric horn.
Reprinted Url Of This Article:
http://www.seekic.com/circuit_diagram/control_circuit/the_motorcycle_anti_theft_alarm_3.html
Print this Page | Comments | Reading(3)
Code: