Position: Home > Circuit Diagram > Index 84
Low Cost Custom Prototype PCB Manufacturer

Circuit Diagram

Index 84

Sonic Output Indicator 2

Published:2013/7/3 2:38:00 Author:muriel | Keyword: Sonic Output Indicator

Sonic Output Indicator 2
  (View)

View full Circuit Diagram | Comments | Reading(654)

Sonic Output Indicator

Published:2013/7/3 2:37:00 Author:muriel | Keyword: Sonic Output Indicator

Sonic Output Indicator
have been having fun linking a hexcore to Wilf's BEAM sound effects circuit--the two influence each other and make a most interesting mix of sounds. That got me interested in having sounds as output indicators, where we customarily use LEDs. I'm not entirely happy with it, as it runs at 80 mA even when it's quiet (the 6-Nv ladder [some people call this a 'spinal cord'?] uses 34 mA by itself) and it makes some pretty raspy square-wave type beeps, but it DOES work. I am always happy when I design even more-or-less works! 8^D Don't ask me *how* it works, I'm not there yet. I did discover that the diodes (1N418 type) are needed to keep the sound oscillator from resetting the process in the spinal cord. I also found that I couldn't use the last Nv in the ladder to hook to a sound or it sent the ladder into a frenzy, don't know why though. You can tell where I'm headed--a noisy bot that chirps and chortles and whistles and snorts as it goes about its life. What I need is something of the cheerful whistles and warbles of Wilf's sound effects that will turn on in response to a Nv output, and remain quiet otherwise, without eating current. (I don't ask for much!)   (View)

View full Circuit Diagram | Comments | Reading(663)

Wilf's Bird

Published:2013/7/3 2:37:00 Author:muriel | Keyword: Wilf's Bird

Wilf's Bird
  (View)

View full Circuit Diagram | Comments | Reading(0)

Charge pump circuits

Published:2013/7/3 2:36:00 Author:muriel | Keyword: Charge pump circuits

Charge pump circuits
A charge pump uses arrays of capacitors to increase voltage in a circuit. In this way, you can drive higher voltage loads from logic voltages of 3 - 5 volts. Wilf has posted a number of interesting charge pump designs on the (formerly eGroups, now ) Yahoo BEAM group list: This is a simple, multi-stage design -- all you need is a bicore, 3 volts, and a bunch of 10 uF capacitors...   (View)

View full Circuit Diagram | Comments | Reading(1035)

The "Miller popper"

Published:2013/7/3 2:35:00 Author:muriel | Keyword: The "Miller popper"

The Miller popper
  (View)

View full Circuit Diagram | Comments | Reading(761)

The "FRED" popper

Published:2013/7/3 2:35:00 Author:muriel | Keyword: The "FRED" popper

The FRED popper
  (View)

View full Circuit Diagram | Comments | Reading(720)

74*240-based photopoppers 6

Published:2013/7/3 2:34:00 Author:muriel | Keyword: 74*240-based photopoppers

74*240-based photopoppers 6
  (View)

View full Circuit Diagram | Comments | Reading(663)

74*240-based photopoppers 5

Published:2013/7/3 2:34:00 Author:muriel | Keyword: 74*240-based photopoppers

74*240-based photopoppers 5
  (View)

View full Circuit Diagram | Comments | Reading(554)

74*240-based photopoppers 4

Published:2013/7/3 2:33:00 Author:muriel | Keyword: 74*240-based photopoppers

74*240-based photopoppers 4
  (View)

View full Circuit Diagram | Comments | Reading(582)

74*240-based photopoppers 3

Published:2013/7/3 2:33:00 Author:muriel | Keyword: 74*240-based photopoppers

74*240-based photopoppers 3
  (View)

View full Circuit Diagram | Comments | Reading(574)

74*240-based photopoppers 2

Published:2013/7/3 2:32:00 Author:muriel | Keyword: 74*240-based photopoppers

74*240-based photopoppers 2
  (View)

View full Circuit Diagram | Comments | Reading(549)

74*240-based photopoppers

Published:2013/7/3 2:32:00 Author:muriel | Keyword: 74*240-based photopoppers

74*240-based photopoppers
  (View)

View full Circuit Diagram | Comments | Reading(586)

74*14-based photopoppers

Published:2013/7/3 2:32:00 Author:muriel | Keyword: 74*14-based photopoppers

74*14-based photopoppers
  (View)

View full Circuit Diagram | Comments | Reading(594)

555-based photopoppers 2

Published:2013/7/3 2:31:00 Author:muriel | Keyword: 555-based photopoppers

555-based photopoppers 2
  (View)

View full Circuit Diagram | Comments | Reading(762)

555-based photopoppers

Published:2013/7/3 2:30:00 Author:muriel | Keyword: 555-based photopoppers

555-based photopoppers
  (View)

View full Circuit Diagram | Comments | Reading(745)

1381-based photopopper with touch sensors

Published:2013/7/3 2:30:00 Author:muriel | Keyword: 1381-based photopopper , touch sensors

1381-based photopopper with touch sensors
  (View)

View full Circuit Diagram | Comments | Reading(670)

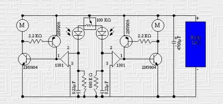
Basic 1381-based photopopper

Published:2013/7/3 2:30:00 Author:muriel | Keyword: Basic 1381-based photopopper

Basic 1381-based photopopper
  (View)

View full Circuit Diagram | Comments | Reading(636)

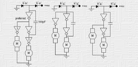
BEAM head circuits

Published:2013/7/3 2:29:00 Author:muriel | Keyword: BEAM head circuits

BEAM head circuits
  (View)

View full Circuit Diagram | Comments | Reading(862)

BEAM pummer circuits

Published:2013/7/3 2:28:00 Author:muriel | Keyword: BEAM pummer circuits

BEAM pummer circuits
  (View)

View full Circuit Diagram | Comments | Reading(1232)

Field (electric, capacitance) sensors

Published:2013/7/3 2:28:00 Author:muriel | Keyword: Field (electric, capacitance) sensors

Field (electric, capacitance) sensors
  (View)

View full Circuit Diagram | Comments | Reading(1557)

Pages:84/2234 At 2081828384858687888990919293949596979899100Under 20