Published:2009/6/24 3:17:00 Author:May | From:SeekIC

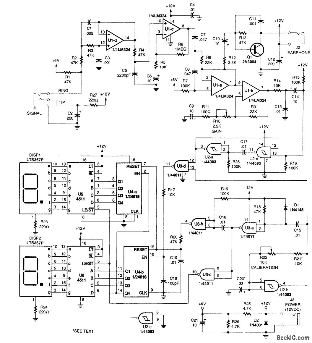
This circuit takes signal (doppler) from a radar,un, amplifies and limits it, and feeds the frequency into a counter (U4) and display circuit (DISP1, DISP2,U5,U6). Counter calibration is set by clock circuit U2B. Calibration is obtained via R21 and R22. R21 can be changed if kilometers/hour readout is desired.
Reprinted Url Of This Article:
http://www.seekic.com/circuit_diagram/led_and_light_circuit/display_board_for_radar_gun.html
Print this Page | Comments | Reading(3)
Code: