Published:2009/7/20 3:21:00 Author:Jessie | From:SeekIC

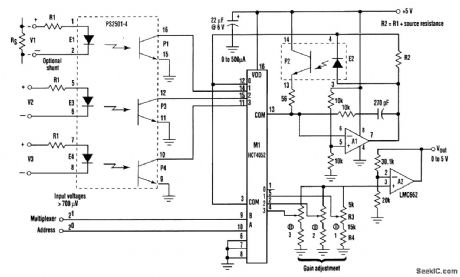
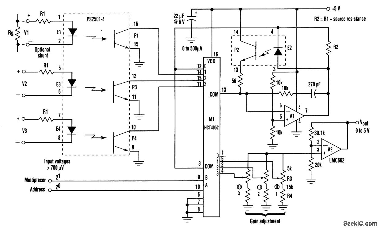
The circuit described here provides three channels of optically isolated input that will work for many precision signal-acquisition applications. The only power required is a single 15-V rail with ground common to the analog-to-digital converter. Multiplexer operation is based on an ordinary quad-channel optoisolator (PS2501-4). Each LED (such as E1) in combination with input-scaling resistor R1 will, in response to Vin, pass a current of I1=( Vin- VLED)/(R1+Rs), where VLED-the forward voltage drop of the LED and Rs=the signal source's internal resistance. R1 is chosen to establish a full-scale LED current near 500 μA. Assuming (for example) that channel 1 is selected, the resulting photocurrent in P1 will tend to pull the summing point of A1 low. In response, A1 will forward-bias E2 to generate a balancing photocurrent in P2. The E2 current required to maintain this balance will closely track I1, and the VLED of E2 will be close to the VLED of E1. The current sourced through M1 to the gain-adjustment network is directly proportional to the floating input voltages. Therefore, it is independent of the LED voltage drops.
Reprinted Url Of This Article:
http://www.seekic.com/circuit_diagram/led_and_light_circuit/optically_isolated_analog_multiplexer_.html
Print this Page | Comments | Reading(3)
Code: