Published:2011/8/11 3:41:00 Author:nelly | Keyword: LCD, switch power supply | From:SeekIC

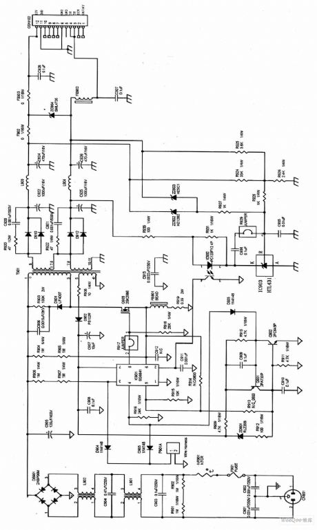
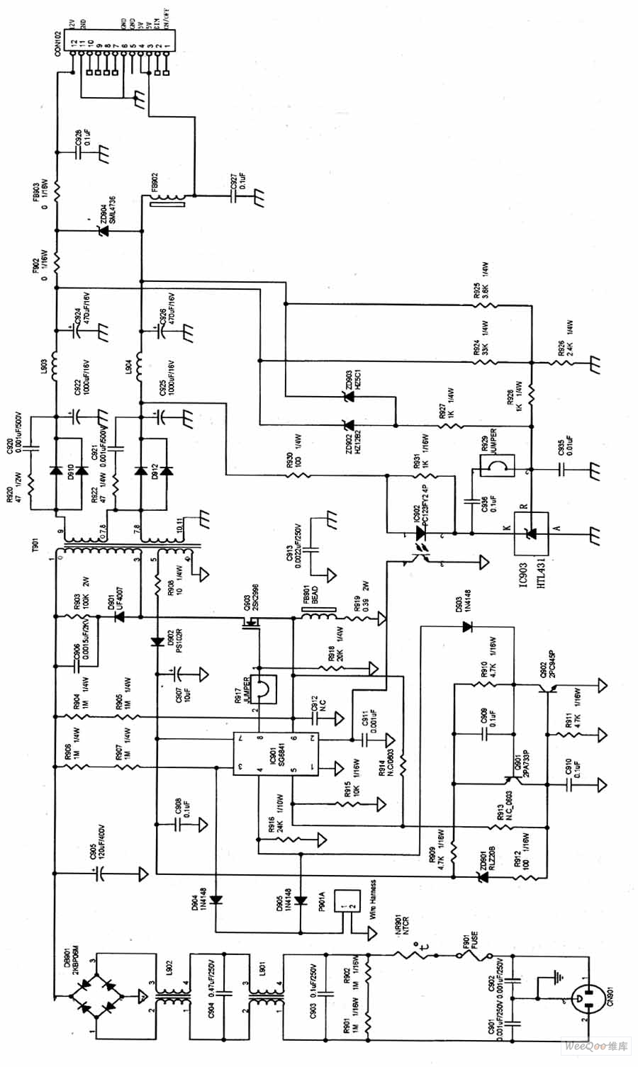
AOC LM729 17in LCD switch power supply circuit is made as the core of control chip IC901(56*1), the circuit is shown in the figure.
Reprinted Url Of This Article:
http://www.seekic.com/circuit_diagram/power_supply_circuit/aoc_lm729_lcd_switch_power_supply_circuit_diagram.html
Print this Page | Comments | Reading(3)
Code: