Published:2009/6/29 22:02:00 Author:May | From:SeekIC

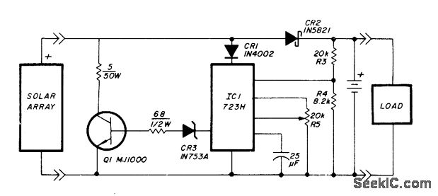
Voltage regulator is connected across solar-cell away as shown to prevent damage to storage battery by overcharging. Series diode prevents array from discharging battery during hours of darkness. Regulator does not draw power from battery, except for very low current used for voltage sampling. Battery can be lead-calcium, gelled-electrolyte, or telephone-type wet cells, For repeater application described, two Globe Union GC12200 40-Ah gelled-electrolyte batteries were used to provide transmit current of 1.07 A and idle current of 12 mA.-T. Handel and P. Beauchamp, Solar-Powered Repeater Design, Ham Radio, Dec. 1978, p 28-33.
Reprinted Url Of This Article:
http://www.seekic.com/circuit_diagram/power_supply_circuit/battery_charger/solar_power_overcharge_protection.html
Print this Page | Comments | Reading(3)
Code: