Published:2009/7/17 4:46:00 Author:Jessie | From:SeekIC

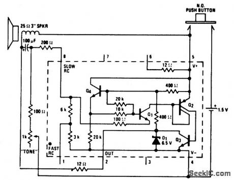
Electronic trombone using an LM3909 chip. Circuitry inside dashed lines is the LM3909. The location and surroundings of the speaker determine the frequency output. Construct a cubical box roughly 64 cubic inches with one end that is able to slide in and out like a piston. The box should be stiffened with thin layers of pressed wood. Minimum volume should be 10 cubic inches. Speaker, circuit and battery should be mounted in the sliding end. A tube 21/2 inches long with an inside diameter of 5/16 inch should be provided to bleed air in and out as the piston moves (courtesy National Semiconductor Corporation).
Reprinted Url Of This Article:
http://www.seekic.com/circuit_diagram/power_supply_circuit/electronic_trombone_using_an_lm3909_chip.html
Print this Page | Comments | Reading(3)
Code: