Published:2009/7/19 21:56:00 Author:Jessie | From:SeekIC

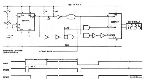
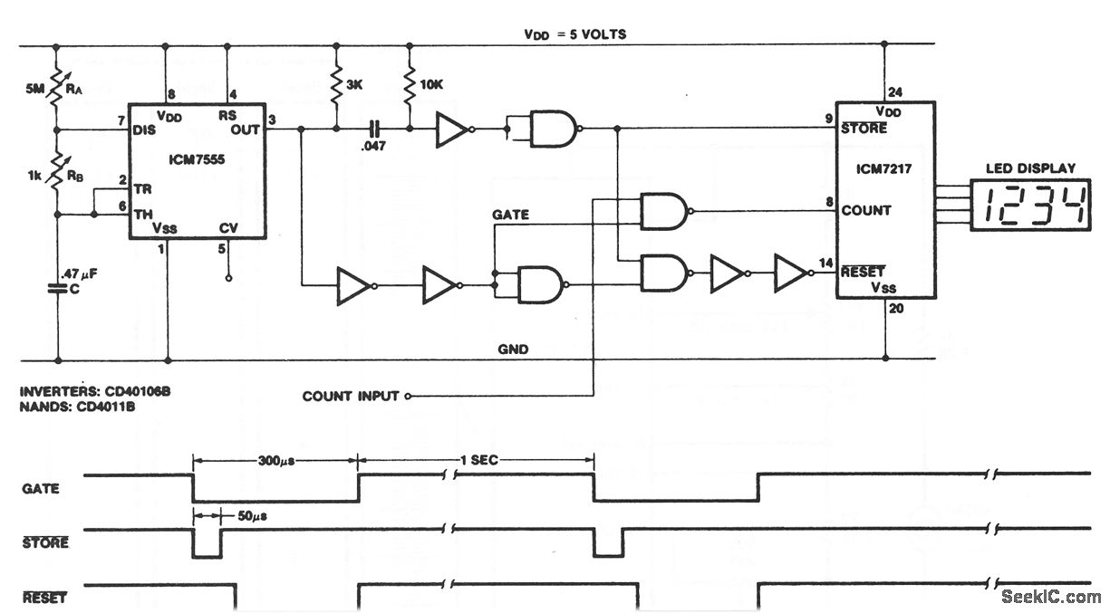
This circuit shows an ICM7217 and an ICM7555 that are connected as a basic frequency counter. The connections between the ICM7217 and a common-cathode LED display are shown in Fig. 12-18. The frequency counter is calibrated (against a known standard) using RA as a coarse control and RB as a fine control.Notice that the ICM7555 timer is connected as an astable multivibrator. Harris Semiconductors, Data Acquisition 1991 p 11 55
Reprinted Url Of This Article:
http://www.seekic.com/circuit_diagram/power_supply_circuit/inexpensive_frequency_counter_tachometer.html
Print this Page | Comments | Reading(3)
Code: