Published:2009/6/23 3:10:00 Author:Jessie | From:SeekIC

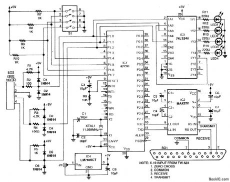
This circuit uses an 87C57 microcontroller and a few peripherals to condition X-10 power-line carrier-code formats from a personal computer to use an X-10 power-line interface in a home-control system. Software details are available in the reference.
Reprinted Url Of This Article:
http://www.seekic.com/circuit_diagram/power_supply_circuit/power_line_modem_for_computer_control.html
Print this Page | Comments | Reading(3)
Code: