Published:2011/7/23 20:12:00 Author:qqtang | Keyword: car voltmeter | From:SeekIC

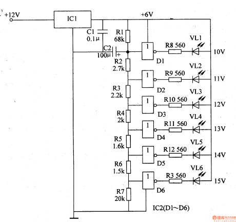
The working principle of the circuit The LED car voltmeter consists of the filter circuit, voltage distribution filter circuit, voltage amplifier circuit and LED display circuit, see as figure 7-77.
The regulator filter circuit consists of the 3-terminal IC1 and filter capacitor C1.The voltage distribution filter circuit consists of the resistors R1-R7 and capacitor C2.The voltage amplifier circuit consists of the 6 NOR gate circuitS IC2 (D1-D6).The LED display circuit consists of the LED vl1-vl6 and resistors R8-R13.
Reprinted Url Of This Article:
http://www.seekic.com/circuit_diagram/power_supply_circuit/the_led_car_voltmeter_3.html
Print this Page | Comments | Reading(3)
Code: