Published:2011/5/10 18:51:00 Author:Christina | Keyword: DTMF, infrared, remote control | From:SeekIC

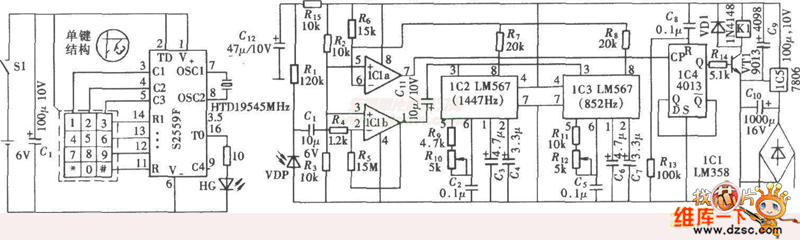
The DTMF infrared remote control circuit. The DTMF encoded signal can be decoded by the special decoder and the PLL audio decoder LM567. But the DTMF encoded signal which is decoded by only one decoder, has only one frequency, one group of control signal is composed by two decoder's output frequency. The infrared remote control signal which is produced by the DTMF launcher is as shown, one channel of the control signal's infrared remote control switch is decoded by two LM567. And this circuit is composed of the twelve channels DTMF coding infrared remote control launcher, the infrared receiving voltage amplifier, the channel signal decoder, the switch controller and the driving circuit.etc.
Reprinted Url Of This Article:
http://www.seekic.com/circuit_diagram/remote_control_circuit/dtmf_infrared_remote_control_circuit.html
Print this Page | Comments | Reading(3)
Code: