Published:2011/10/20 2:24:00 Author:Rebekka | Keyword: heterodyne , remote control receiving circuit | From:SeekIC

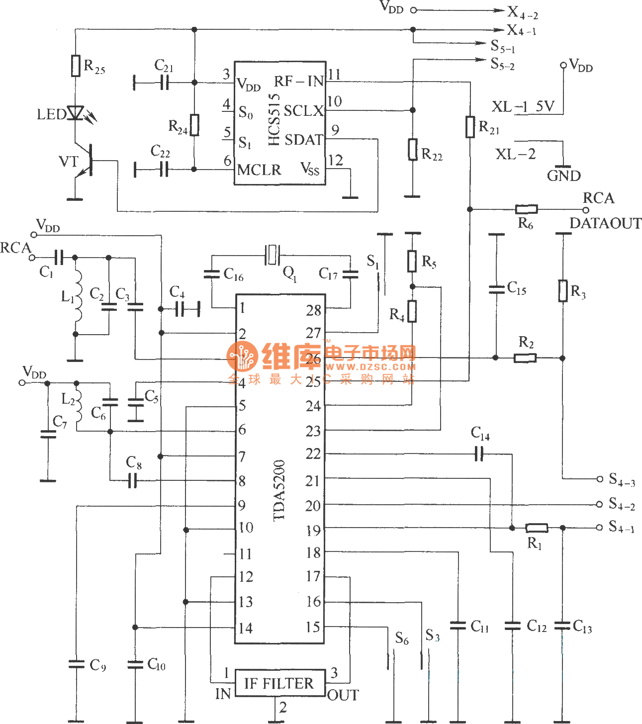
TDA5200 is a low-power single-chip ASK superheterodyne receiver circuit. Its operating frequency range has two block. They are 868 ~ 870MHz and 433 ~ 435MHz. The circuit is highly integrated. It has few external components, perfect function. It is a single receiver circuit with excellentperformance.
Reprinted Url Of This Article:
http://www.seekic.com/circuit_diagram/remote_control_circuit/heterodyne_remote_control_receiving_circuit_diagram.html
Print this Page | Comments | Reading(3)
Code: