Published:2011/11/3 22:14:00 Author:May | Keyword: Human infrared remote sensing lamp | From:SeekIC

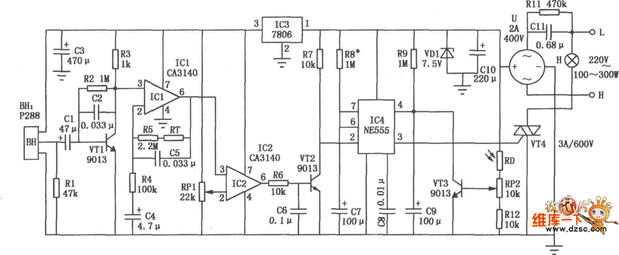
The diagram is human infrared remote sensing lamp circuit. It uses trace infrared heat sent out by human to remote control the open or close of lap. This human infrared remote sensing lamp trigger sensitivity is very high ( can work in 10m distance), anti-jamming ability is strong, and ittruly achieces full automation.
Reprinted Url Of This Article:
http://www.seekic.com/circuit_diagram/remote_control_circuit/human_infrared_remote_sensing_lamp_circuit.html
Print this Page | Comments | Reading(3)
Code: