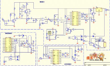
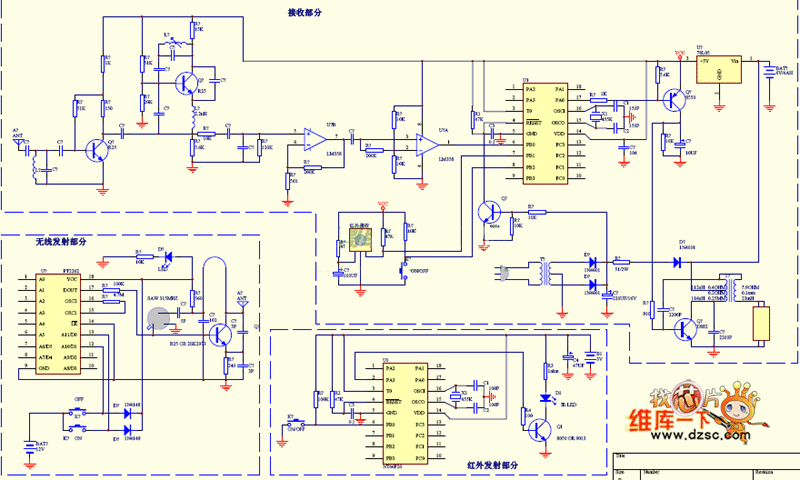
Published:2011/6/27 3:53:00 Author:Ecco | Keyword: Infrared, remote control, energy-saving lamp | From:SeekIC

Reprinted Url Of This Article:
http://www.seekic.com/circuit_diagram/remote_control_circuit/infrared_remote_control_energy_saving_lamp_circuit_diagram.html
Print this Page | Comments | Reading(3)
Code: