Published:2011/4/21 5:14:00 Author:Ecco | Keyword: 1024kHz , 4kHz , square wave, output | From:SeekIC

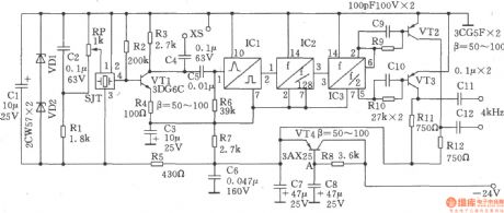
The circuit SJT is a 1024kHz warming crystal oscillator. Circuit is shown as the chart. As its output signal level is low, so the following transistor VTl is used as the buffer amplifier. The base bias resistor R2 of VTl, the load resistor R3, the emitter resistor R4 form the negative feedback resistor which is used to stabilize the DC operating point of VTl. The voltage-regulator diodes VDl and VD2, capacitor Cl form a regulator, filter circuit to reduce the influence on the frequency of the crystal SJT from supply voltage fluctuation. Resistor Rl and potentiometer RP provide bias voltage to the TCXO, adjusting the RP can fine-tune crystal frequency.
Reprinted Url Of This Article:
http://www.seekic.com/circuit_diagram/signal_processing/1024khz_and_4khz_square_wave_output_circuit.html
Print this Page | Comments | Reading(3)
Code: