About SeekIC | Services | Payment | Advertisements service | Contact Us | Links
© 2008-2012 SeekIC.com Corp.All Rights Reserved.
Published:2009/7/20 23:41:00 Author:Jessie | From:SeekIC

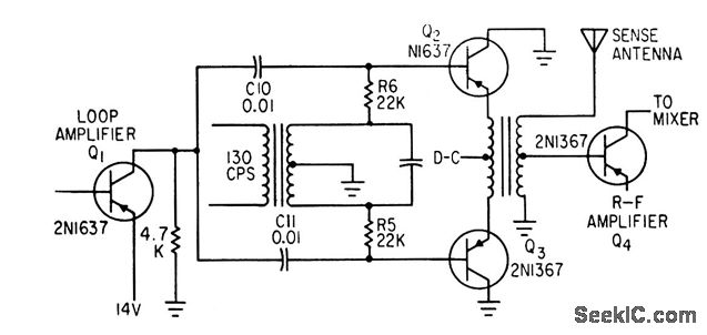
Combines signals from loop and sense antennas of automatic direction finder, to give 130-cps output having correct phase for driving rotor of resolver to null position.-P. V.Sparks, Servo Filter and Gain Control lmprove Automatic Direction Finder, Electronics, 34:23, p 110-113.
Reprinted Url Of This Article:
http://www.seekic.com/circuit_diagram/signal_processing/balanced_modulator_for_adf.html
Print this Page | Comments | Reading(3)
Response in 12 hours
© 2008-2012 SeekIC.com Corp.All Rights Reserved.
Code: