About SeekIC | Services | Payment | Advertisements service | Contact Us | Links
© 2008-2012 SeekIC.com Corp.All Rights Reserved.
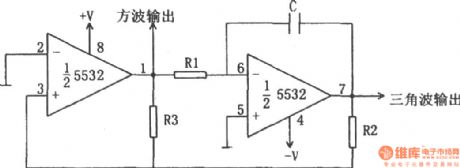
Published:2011/4/6 2:44:00 Author:Ecco | Keyword: Square wave , triangle wave , oscillator | From:SeekIC

Reprinted Url Of This Article:
http://www.seekic.com/circuit_diagram/signal_processing/oscillator_circuit/square_wave_and_triangle_wave_oscillator5532.html
Print this Page | Comments | Reading(3)
Response in 12 hours
© 2008-2012 SeekIC.com Corp.All Rights Reserved.
Code: