Position: Home > Circuit Diagram > Signal Processing > Sine wave generator composed of inverter

Signal Processing

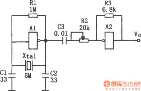
Sine wave generator composed of inverter

Published:2011/4/18 2:27:00 Author:Ecco | Keyword: Sine wave generator , inverter | From:SeekIC

Print this Page | Comments | Reading(3)

To evaluate my
Code: