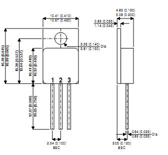
Features: • TO257AB HERMETIC PACKAGE FOR HIGH RELIABILITY APPLICATIONS•SCREENING OPTIONS AVAILBLE•SIMPLE DRIVE REQUIREMENTSPinoutSpecifications VDS Drain Source VoltageVGS Gate Source VoltageID Continuous Drain Current (TJ= 150°C) TC= 25°CTC= 25°CIDM PulsedDrain Current ...
2N7091: Features: • TO257AB HERMETIC PACKAGE FOR HIGH RELIABILITY APPLICATIONS•SCREENING OPTIONS AVAILBLE•SIMPLE DRIVE REQUIREMENTSPinoutSpecifications VDS Drain Source VoltageVGS ...
SeekIC Buyer Protection PLUS - newly updated for 2013!
268 Transactions
All payment methods are secure and covered by SeekIC Buyer Protection PLUS.

|
VDS Drain Source Voltage |
|