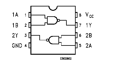
Features: ` HIGH SPEED: tPD = 3.9ns (TYP.) at VCC = 5V` LOW POWER DISSIPATION: ICC = 1A(MAX.) at TA = 25` HIGH NOISE IMMUNITY: VNIH = VNIL = 28% VCC (MIN.)` POWER DOWN PROTECTION ON INPUTS` OPERATING VOLTAGE RANGE: VCC(OPR) = 2V to 5.5V` IMPROVED LATCH-UP IMMUNITYPinoutSpecifications Symbol...
74V2G03: Features: ` HIGH SPEED: tPD = 3.9ns (TYP.) at VCC = 5V` LOW POWER DISSIPATION: ICC = 1A(MAX.) at TA = 25` HIGH NOISE IMMUNITY: VNIH = VNIL = 28% VCC (MIN.)` POWER DOWN PROTECTION ON INPUTS` OPERATIN...
SeekIC Buyer Protection PLUS - newly updated for 2013!
268 Transactions
All payment methods are secure and covered by SeekIC Buyer Protection PLUS.

|
Symbol |
Parameter |
Value |
Unit |
|
VCC |
Supply Voltage |
-0.5 to +7.0 |
V |
|
VI |
DC Input Voltage |
-0.5 to +7.0 |
V |
|
VO |
DC Output Voltage |
-0.5 to VCC + 0.5 |
V |
|
IIK |
DC Input Diode Current |
-20 |
mA |
|
IOK |
DC Output Diode Current |
±20 |
mA |
|
IO |
DC Output Current |
±25 |
mA |
|
ICC or IGND |
DC VCC or Ground Current |
±50 |
mA |
|
Tstg |
Storage Temperature |
-65 to +150 |
|
|
TL |
Lead Temperature (10 sec) |
260 |
The 74V2G03 is an advanced high-speed CMOS DUAL 2-INPUT OPEN DRAIN NAND GATE fabricated with sub-micron silicon gate and double-layer metal wiring C2MOS technology.
The internal circuit of the 74V2G03 is composed of 3 stages including buffer output, which provide high noise immunity and stable output.
The device can, with an external pull-up resistor, be used in wired AND configuration. This device can also be used as a led driver in any other application requiring current sink.
Power down protection of the 74V2G03 is provided on all inputs and 0 to 7V can be accepted on inputs with no regard to the supply voltage. This device can be used to interface 5V to 3V.