Features: ` HIGH SPEED: tPD = 3.7 ns (TYP.) at VCC = 5V` LOW POWER DISSIPATION: ICC = 1 A (MAX.) at TA = 25` TYPICAL HYSTERESIS: 0.8V at VCC = 4.5V` SYMMETRICAL OUTPUT IMPEDANCE: |IOH| = IOL = 8mA (MIN)` BALANCED PROPAGATION DELAYS: tPLH tPHL` OPERATING VOLTAGE RANGE: VCC(OPR) = 4.5V to 5.5V` IMPR...
74V2T132: Features: ` HIGH SPEED: tPD = 3.7 ns (TYP.) at VCC = 5V` LOW POWER DISSIPATION: ICC = 1 A (MAX.) at TA = 25` TYPICAL HYSTERESIS: 0.8V at VCC = 4.5V` SYMMETRICAL OUTPUT IMPEDANCE: |IOH| = IOL = 8mA (...
SeekIC Buyer Protection PLUS - newly updated for 2013!
268 Transactions
All payment methods are secure and covered by SeekIC Buyer Protection PLUS.

|
Symbol |
Parameter |
Value |
Unit |
|
VCC |
Supply Voltage |
-0.5 to +7.0 |
V |
|
VI |
DC Input Voltage |
-0.5 to +7.0 |
V |
|
VO |
DC Output Voltage (see note 1) |
-0.5 to +7.0 |
V |
|
VO |
DC Output Voltage (see note 2) |
-0.5 to VCC + 0.5 |
V |
|
IIK |
DC Input Diode Current |
-20 |
mA |
|
IOK |
DC Output Diode Current |
±20 |
mA |
|
IO |
DC Output Current |
±25 |
mA |
|
ICC or IGND |
DC VCC or Ground Current |
±50 |
mA |
|
Tstg |
Storage Temperature |
-65 to +150 |
|
|
TL |
Lead Temperature (10 sec) |
300 |
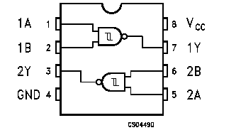
The 74V2T132 is an advanced high-speed CMOS SINGLE 2-INPUT NAND GATE fabricated with sub-micron silicon gate and double-layer metal wiring C2MOS technology.
Pin configuration and function are the same as those of the 74V2T00 but the 74V2T132 has hysteresis.
The internal circuit is composed of 3 stages including buffer output, which provide high noise immunity and stable output.
Power down protection of the 74V2T132 is provided on all inputs and 0 to 7V can be accepted on inputs with no regard to the supply voltage. This device can be used to interface 5V to 3V.