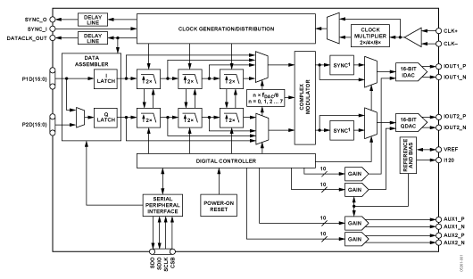
PinoutSpecifications Resolution (Bits) 14bit DAC Update Rate 1GSPS DAC Settling Time n/a # DAC Outputs 2 ...
AD9778: PinoutSpecifications Resolution (Bits) 14bit DAC Update Rate 1GSPS DAC Se...
SeekIC Buyer Protection PLUS - newly updated for 2013!
268 Transactions
All payment methods are secure and covered by SeekIC Buyer Protection PLUS.

| Resolution (Bits) | 14bit |
| DAC Update Rate | 1GSPS |
| DAC Settling Time | n/a |
| # DAC Outputs | 2 |
| DAC Type | Current Out |
| DAC Input Format | Par |
| Output FSR | Adj(10mA FS to 30mA FS),Adj(FS Current) |
| Ref Int/Ext | Int |
| Supply Vnom | Multi(+1.8, +3.3) |
| Pwr Diss (Max) | 300mW |
| Package | QFP |