Features: • 1.8/3.3 V Single Supply Operation• Low power: 950mW (IOUTFS = 20 mA; fDAC = 1 GSPS, 4× Interpolation• DNL = ± 1.5 LSB, INL = ± 5.0 LSB• SFDR =82 dBc to fOUT = 100 MHz• ACLR = 87 dBc @ 80 MHz IF• CMOS data interface with Autotracking Input Timing̶...
AD9779: Features: • 1.8/3.3 V Single Supply Operation• Low power: 950mW (IOUTFS = 20 mA; fDAC = 1 GSPS, 4× Interpolation• DNL = ± 1.5 LSB, INL = ± 5.0 LSB• SFDR =82 dBc to fOUT = 100...
SeekIC Buyer Protection PLUS - newly updated for 2013!
268 Transactions
All payment methods are secure and covered by SeekIC Buyer Protection PLUS.

| Resolution (Bits) | 16bit |
| DAC Update Rate | 1GSPS |
| DAC Settling Time | n/a |
| # DAC Outputs | 2 |
| DAC Type | Current Out |
| DAC Input Format | Par |
| Output FSR | (Iout x Rload),Adj(10mA FS to 30mA FS) |
| Ref Int/Ext | Int |
| Supply Vnom | Multi(+1.8, +3.3) |
| Pwr Diss | 300mW |
| Package | QFP |
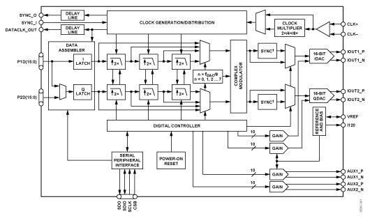
The AD9779 is a dual 16-bit high performance, high frequency DAC that provides a sample rate of 1 GSPS, permitting multi carrier generation up to its Nyquist frequency. It includes features optimized for direct conversion transmit applications, including complex digital modulation and gain and offset compensation.
The DAC outputs are optimized to interface seamlessly with analog quadrature modulators such as the AD8349. A serial peripheral interface (SPI) provides for programming many internal parameters and also enables read-back of status registers. The output current can be programmed over a range of 10mA to 30mA. The AD9779 is manufactured on an advanced 0.18µm CMOS process and operates from 1.8V and 3.3V supplies for a total power consumption of 950mW. It is supplied in a 100-lead QFP package.