ADC774

Features: COMPLETE 12-BIT A/D CONVERTER WITH REFERENCE, CLOCK, AND 8-, 12-, or 16- BIT MICROPROCESSOR BUS INTERFACEALTERNATE SOURCE FOR HI774 A/D CONVERTER: 8.5s Conversion Time, 150ns Bus Access TimeFULLY SPECIFIED FOR OPERATION ON ±12V OR ±15V SUPPLIESNO MISSING CODES OVER TEMPERATURE: 0°C to +7...

product image

ADC774 Picture
SeekIC No. : 004274222 Detail

ADC774: Features: COMPLETE 12-BIT A/D CONVERTER WITH REFERENCE, CLOCK, AND 8-, 12-, or 16- BIT MICROPROCESSOR BUS INTERFACEALTERNATE SOURCE FOR HI774 A/D CONVERTER: 8.5s Conversion Time, 150ns Bus Access Ti...

floor Price/Ceiling Price

Part Number:
ADC774
Supply Ability:
5000

Price Break

  • Qty
  • 1~5000
  • Unit Price
  • Negotiable
  • Processing time
  • 15 Days
Total Cost: $ 0.00

SeekIC Buyer Protection PLUS - newly updated for 2013!

  • Escrow Protection.
  • Guaranteed refunds.
  • Secure payments.
  • Learn more >>

Month Sales

268 Transactions

Rating

evaluate  (4.8 stars)

Upload time: 2026/2/6

Payment Methods

All payment methods are secure and covered by SeekIC Buyer Protection PLUS.

Notice: When you place an order, your payment is made to SeekIC and not to your seller. SeekIC only pays the seller after confirming you have received your order. We will also never share your payment details with your seller.
Product Details

Description



Features:

COMPLETE 12-BIT A/D CONVERTER WITH REFERENCE, CLOCK, AND 8-, 12-, or 16- BIT MICROPROCESSOR BUS INTERFACE
ALTERNATE SOURCE FOR HI774 A/D CONVERTER: 8.5s Conversion Time, 150ns Bus Access Time
FULLY SPECIFIED FOR OPERATION ON ±12V OR ±15V SUPPLIES
NO MISSING CODES OVER TEMPERATURE:
  0°C to +75°C: ADC774J, K
  55°C to +125°C: ADC774SH, TH



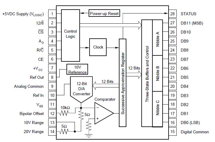
Pinout

  Connection Diagram


Specifications

VCC to Digital Common ........................................................................ 0V to +16.5V
VEE to Digital Common ......................................................................... 0V to 16.5V
VLOGIC Digital Common ....................................................................... 0V to +7V
Analog Common to Digital Common .................................................... ±1V
Control Inputs (CE, CS, AO, 12/8, R/C)
    to Digital Common .......................................................................... 0.5V to VLOGIC +0.5V
Analog Inputs (Ref In, Bipolar Offset, 10VIN )
    to Analog Common ........................................................................ ±16.5V
20VIN to Analog Common .................................................................. ±24V
Ref Out .............................................................................................. Indefinite Short to Common,Momentary Short to VCC
Max Junction Temperature ................................................................ +165°C
Power Dissipation ............................................................................. 1000mW
Lead Temperature (soldering,10s) ................................................... +300°C
Thermal Resistance, JA : Ceramic ................................................... 50°C/W
                                         Plastic ..................................................... 100°C/W

CAUTION: These devices are sensitive to electrostatic discharge. Appropriate I.C. handling procedures should be followed.



Description

The ADC774 is a 12-bit successive approximation analog-to-digital converter, utilizing state-of-the-art CMOS and laser-trimmed bipolar die custom-designed for freedom from latch-up and for optimum AC performance. It is complete with a self-contained +10V reference, internal clock, digital interface for microprocessor control, and three-state outputs.

The ADC774 reference circuit, containing a buried zener, is lasertrimmed for minimum temperature coefficient. The clock oscillator is current-controlled for excellent stability over temperature. Full-scale and offset errors may be externally trimmed to zero. Internal scaling resistors are provided for the selection of analog input signal ranges of 0V to +10V, 0V to +20V, ±5V, and ±10V.

The converter ADC774 may be externally programmed to provide 8- or 12-bit resolution. The conversion time for 12 bits is factory set for 8.5ms maximum.

Output data of ADC774 are available in a parallel format from TTLcompatible three-state output buffers. Output data are coded in straight binary for unipolar input signals and bipolar offset binary for bipolar input signals.

The ADC774, available in both industrial and military temperature ranges, requires supply voltages of +5V and ±12V or ±15V. It is packaged in a 28-pin plastic DIP, or a hermetic side-brazed ceramic DIP.


Customers Who Bought This Item Also Bought

Margin,quality,low-cost products with low minimum orders. Secure your online payments with SeekIC Buyer Protection.
Undefined Category
Memory Cards, Modules
Soldering, Desoldering, Rework Products
Batteries, Chargers, Holders
Cables, Wires - Management
Static Control, ESD, Clean Room Products
View more