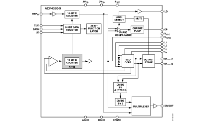
PinoutSpecifications Type Synthesizer/VCO Integer-N Output Frequency Range 1.1-200 MHz Norm Phase Noise (dBc/Hz) 218dBc ...
ADF4360-9: PinoutSpecifications Type Synthesizer/VCO Integer-N Output Frequency Range 1.1-200 MHz ...
SeekIC Buyer Protection PLUS - newly updated for 2013!
268 Transactions
All payment methods are secure and covered by SeekIC Buyer Protection PLUS.

| Type | Synthesizer/VCO Integer-N |
| Output Frequency Range | 1.1-200 MHz |
| Norm Phase Noise (dBc/Hz) | 218dBc |
| Max REFin (MHz) | 250MHz |
| Supply Current | 7.5mA |
| Programmable Output Power | -14 dBm to -9 dBm |