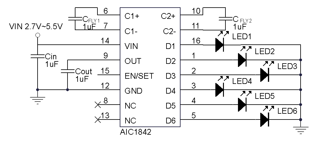
PinoutDescriptionThe AIC1841 and AIC1842 provide 4 and 6 LED current source outputs with regulated constant current for uniform intensity. The AIC1841/2 is the low noise, constant frequency charge pump DC/DC converter that uses 1.5X conversion to increase efficiency in white LED applications. The ...
AIC1842: PinoutDescriptionThe AIC1841 and AIC1842 provide 4 and 6 LED current source outputs with regulated constant current for uniform intensity. The AIC1841/2 is the low noise, constant frequency charge p...
SeekIC Buyer Protection PLUS - newly updated for 2013!
268 Transactions
All payment methods are secure and covered by SeekIC Buyer Protection PLUS.
