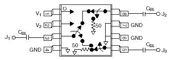
Features: Positive Voltage Control (0/+3 to 0/+5 V)High Isolation (55 dB @ 0.9 GHz and 1.9 GHz)Miniature MSOP-8 Exposed Pad PackageThree Switch Solution for Base Station Synthesizer SwitchNon-ReflectiveOperation to 6 GHzPinoutSpecifications Characteristic Value RF Input Power 1 W Max. &g...
AS186-302: Features: Positive Voltage Control (0/+3 to 0/+5 V)High Isolation (55 dB @ 0.9 GHz and 1.9 GHz)Miniature MSOP-8 Exposed Pad PackageThree Switch Solution for Base Station Synthesizer SwitchNon-Reflec...
SeekIC Buyer Protection PLUS - newly updated for 2013!
268 Transactions
All payment methods are secure and covered by SeekIC Buyer Protection PLUS.

| Characteristic | Value |
| RF Input Power | 1 W Max. > 500 MHz 0/-8 V |
| Control Voltage | -0.2 V, +8 V |
| Operating Temperature | -40°C to +85°C |
| Storage Temperature | -65°C to +150°C |
| JC | 25°C/W |
The AS186-302 is a GaAs FET IC SPDT non-reflective switch packaged in a MSOP-8 exposed pad plastic package for low cost, high isolation commercial applications. Ideal building block for base station applications where synthesizer isolation is critical.Typical applications of AS186-302 include GSM, PCS, WCDMA, 2.4 GHz ISM and 3.5 GHz wireless local loop.