Features: 1) Built-in AM monaural radio, FM IF amplifier/detector, and FM stereo demodulator.2) DTS (both SD and IF count) compatible.3) Built-in reference voltage power supply provides good shortwave band frequency stability.4) Good FM stability.5) The FM MPX VCO uses laser locking making adjustm...
BA1451F: Features: 1) Built-in AM monaural radio, FM IF amplifier/detector, and FM stereo demodulator.2) DTS (both SD and IF count) compatible.3) Built-in reference voltage power supply provides good shortwa...
SeekIC Buyer Protection PLUS - newly updated for 2013!
268 Transactions
All payment methods are secure and covered by SeekIC Buyer Protection PLUS.

| Parameter | Symbol | Limits | Unit |
| Power supply voltage | VCC | 9.0 | v |
| Power dissipation | Pd | 450∗1 | mW |
| Operating temperature | Topr | −25∼+75 | °C |
| Storage temperature | Tstg | −55∼+125 | °C |
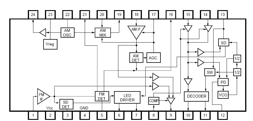
The BA1451F is a tuner system IC for electronic tuning for AM radios, FM IF, and MPX. It has been developed for HiFi component applications.
The MPX VCO circuit requires no adjustment, which will enable a reduction in the number of production line processes. In particular, the laser lock technique used in the VCO means that no external adjustment is required.