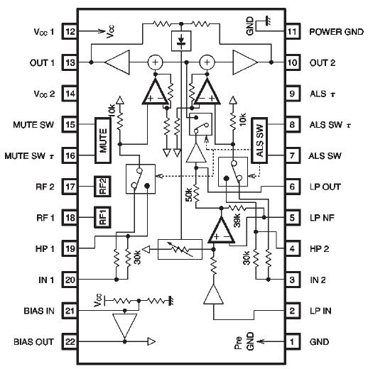
Features: 1) The use of ALS (Auto Loudness System) makes it possible to obtain a dynamic sound regardless of the volume level.2) Built-in power mute circuit.3) Built-in bypass circuit.ApplicationStereo headphonesPinoutSpecificationsDescriptionThe BA3570F and BA3570FS are stereo headphone amplifier...
BA3570F: Features: 1) The use of ALS (Auto Loudness System) makes it possible to obtain a dynamic sound regardless of the volume level.2) Built-in power mute circuit.3) Built-in bypass circuit.ApplicationSte...
SeekIC Buyer Protection PLUS - newly updated for 2013!
268 Transactions
All payment methods are secure and covered by SeekIC Buyer Protection PLUS.


The BA3570F and BA3570FS are stereo headphone amplifiers with ALS (Auto Loudness System) which have been designed for use as headphone drivers in audio equipment.