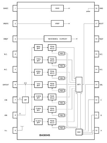
Features: 1) Seven band-pass filter elements for spectrum analyzer displays.2) High-speed readout (output response time: 5msec. Typ.).3) Discharge time constant circuit for each band is on the chip.4) Differential input amplifier rejects common-mode noise.5) Single 5V power supply.ApplicationCD ra...
BA3834S: Features: 1) Seven band-pass filter elements for spectrum analyzer displays.2) High-speed readout (output response time: 5msec. Typ.).3) Discharge time constant circuit for each band is on the chip....
SeekIC Buyer Protection PLUS - newly updated for 2013!
268 Transactions
All payment methods are secure and covered by SeekIC Buyer Protection PLUS.


The BA3834S and BA3834F are 7-band, band-pass filter ICs that use microprocessor time division to produce serial output for spectrum analyzer displays. To minimize the number of attached components required and enable compact and reliable designs, all of the capacitors for the filters are on the chip.