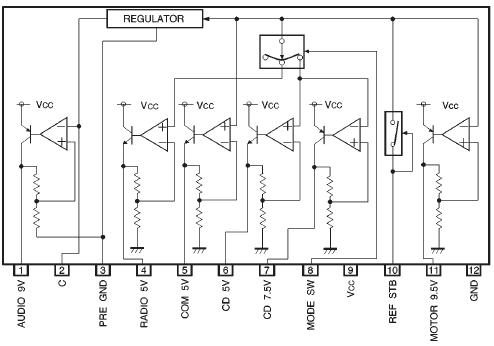
Features: 1) With 9V output for audio power supply, 5V output for microcontrollers, 5V output for radio, 5 and 7.5V outputs for CD players, 9.5V output for motor drivers, the IC is best suited for CD radio cassette players.2) Precise power supply (5V ± 0.1V) can be obtained by using external refer...
BA3935: Features: 1) With 9V output for audio power supply, 5V output for microcontrollers, 5V output for radio, 5 and 7.5V outputs for CD players, 9.5V output for motor drivers, the IC is best suited for C...
SeekIC Buyer Protection PLUS - newly updated for 2013!
268 Transactions
All payment methods are secure and covered by SeekIC Buyer Protection PLUS.

