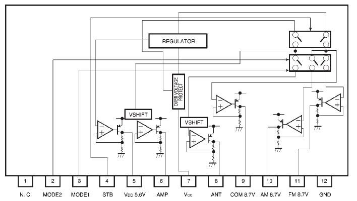
Features: 1) A power supply IC for car audio systems ; one 5.6V output for microcontrollers, three 8.7V outputs, and two outputs interlocked with BACKUP and ACC systems are built in.2) All output circuits use a PNP transistor with a low saturation voltage.3) Output current limit circuit prevents d...
BA3911: Features: 1) A power supply IC for car audio systems ; one 5.6V output for microcontrollers, three 8.7V outputs, and two outputs interlocked with BACKUP and ACC systems are built in.2) All output ci...
SeekIC Buyer Protection PLUS - newly updated for 2013!
268 Transactions
All payment methods are secure and covered by SeekIC Buyer Protection PLUS.


The BA3911 is a single-chip power supply IC for use in car audio systems. One 5.6V output for microcontrollers, three 8.7V outputs, and two outputs interlocked with BACKUP and ACC systems are built in.