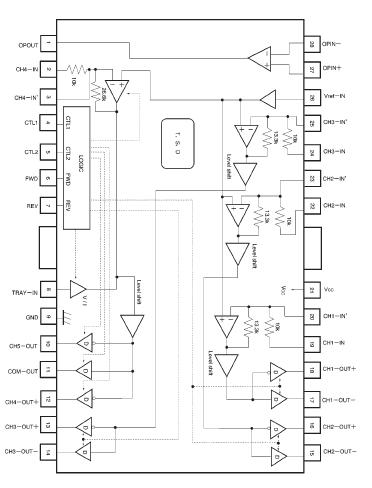
Features: 5-channel BTL driver in a 28-pin HSOP package, allowing for application miniaturization. The five drivers are turned on and off according to control pin logic combinations. The tray driver operates even when the servo power supply drops. Internal thermal shutdown circuit. Gain is adjusta...
BA6796FP: Features: 5-channel BTL driver in a 28-pin HSOP package, allowing for application miniaturization. The five drivers are turned on and off according to control pin logic combinations. The tray driver...
SeekIC Buyer Protection PLUS - newly updated for 2013!
268 Transactions
All payment methods are secure and covered by SeekIC Buyer Protection PLUS.
Features: 1) Output voltage can be freely set using the output voltage setting pin.2) Internal mut...
5-channel BTL driver in a 28-pin HSOP package, allowing for application miniaturization.
The five drivers are turned on and off according to control pin logic combinations.
The tray driver operates even when the servo power supply drops.
Internal thermal shutdown circuit.
Gain is adjustable with an attached resistor.
Internal standard operational amplifier.

| Parameter | Symbol | Limits | Unit |
| Power supply voltage | Vcc |
18 | V |
| Power dissipation | Pd | 1.7* | W |
| Operating temperature | Topr | -35~+85 | |
| Storage temperature | Tstg | -55~+150 |
The BA6796FP, an IC designed for CD and MD players, has a 5-channel BTL power driver and a standard operational amplifier. The spindle and tray driver share a single output buffer, and are specified with a control pin. In addition, the internal level shift circuit reduces the number of attached components.