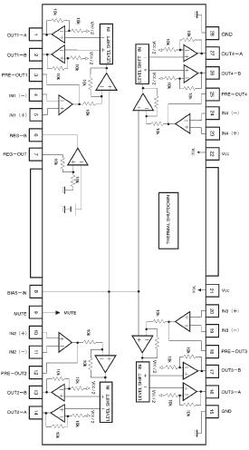
Features: 4-channel BTL driver in a HSOP 28-pin power package, ideal for application miniaturization. Wide dynamic range. Internal thermal shutdown circuit. Internal level shifting circuit reduces the number of external components. Dual positive and negative input pins, for adaptability for a wide...
BA6797FP: Features: 4-channel BTL driver in a HSOP 28-pin power package, ideal for application miniaturization. Wide dynamic range. Internal thermal shutdown circuit. Internal level shifting circuit reduces t...
SeekIC Buyer Protection PLUS - newly updated for 2013!
268 Transactions
All payment methods are secure and covered by SeekIC Buyer Protection PLUS.
Features: 1) Output voltage can be freely set using the output voltage setting pin.2) Internal mut...
4-channel BTL driver in a HSOP 28-pin power package, ideal for application miniaturization.
Wide dynamic range.
Internal thermal shutdown circuit.
Internal level shifting circuit reduces the number of external components.
Dual positive and negative input pins, for adaptability for a wide range of inputs (including negative phase input). Also simplifies filter configuration.

| Parameter | Symbol | Limits | Unit | |
| Power supply voltage | Vcc |
18 | V | |
| Power dissipation | B6797AFP | Pd | 1800*1 | mW |
| BA6797FM | 2200*2 | mW | ||
| Operating temperature | Topr | -40~+85 | ||
| Storage temperature | Tstg | -55~+150 | ||
The BA6797FP and BA6797FM are 4-channel BTL power drivers for CD players and each have an internal 5V regulator (requires attached PNP transistor). Because the input stage of each driver channel connects to an operational amplifier, and there are both positive and negative input pins, making these ICs adaptable for a wide range of inputs and greatly simplify filter configuration. In addition, the internal level shifting circuit reduces the number of external components.