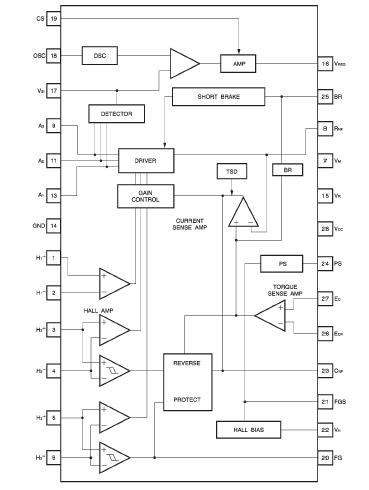
Features: Motor switching regulator on chip. Selectable brake mode via BR pin. FG signal output also possible at power save via FGS.Application CD-ROM, CD-R, CD-RW, DVD-ROM, and DVD-RAMPinoutSpecificationsDescriptionThe BA6855AFM is a CD-ROM motor driver with a built-in motor power supply switchin...
BA6855AFM: Features: Motor switching regulator on chip. Selectable brake mode via BR pin. FG signal output also possible at power save via FGS.Application CD-ROM, CD-R, CD-RW, DVD-ROM, and DVD-RAMPinoutSpecifi...
SeekIC Buyer Protection PLUS - newly updated for 2013!
268 Transactions
All payment methods are secure and covered by SeekIC Buyer Protection PLUS.
Motor switching regulator on chip.
Selectable brake mode via BR pin.
FG signal output also possible at power save via FGS.


The BA6855AFM is a CD-ROM motor driver with a built-in motor power supply switching regulator.
The switching regulator allows low-power designs, and reduced thermal dissipation from the IC. It is possible to select reverse brake and short brake modes.