Features: 1) 3-phase, pseudo-linear drive system.2) Torque ripple cancellation circuit.3) Output transistor saturation prevention circuit.4) Hall element power supply.5) Two control logic inputs set the four operation modes: forward, reverse, stopped (idle), and brake.6) Output voltage setting is ...
BA6872AFM: Features: 1) 3-phase, pseudo-linear drive system.2) Torque ripple cancellation circuit.3) Output transistor saturation prevention circuit.4) Hall element power supply.5) Two control logic inputs set...
SeekIC Buyer Protection PLUS - newly updated for 2013!
268 Transactions
All payment methods are secure and covered by SeekIC Buyer Protection PLUS.
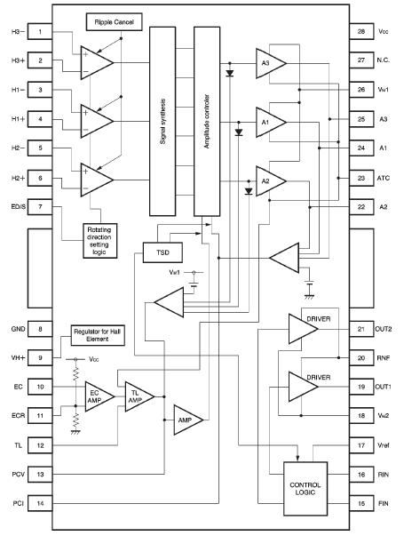
1) 3-phase, pseudo-linear drive system.
2) Torque ripple cancellation circuit.
3) Output transistor saturation prevention circuit.
4) Hall element power supply.
5) Two control logic inputs set the four operation modes: forward, reverse, stopped (idle), and brake.
6) Output voltage setting is possible using the Vref pin.
7) Thermal shutdown (TSD) circuit.

