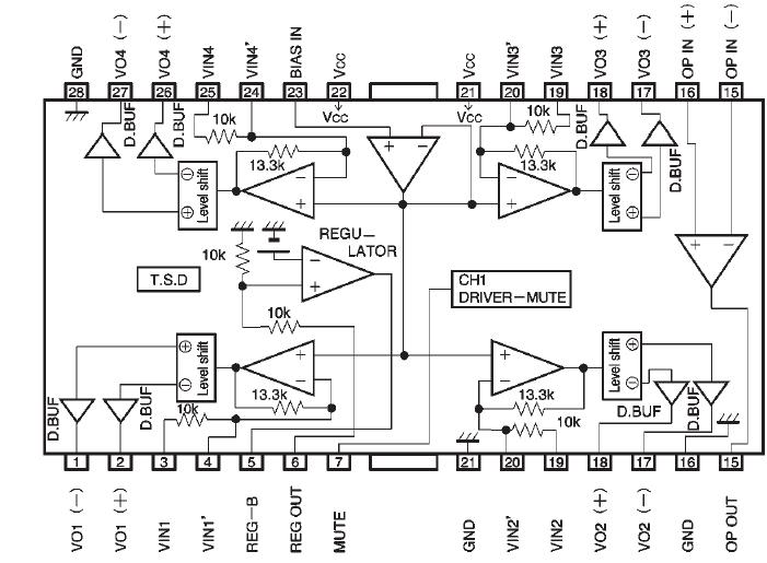
Features: HSOP 28-pin package, for application miniaturization. A minimum of attached components. Driver gain is adjustable with a single attached resistor. Internal 5V regulator. (requires attached PNP transistor) Internal standard operational amplifier. Internal thermal shutdown function. The ou...
BA6896FP: Features: HSOP 28-pin package, for application miniaturization. A minimum of attached components. Driver gain is adjustable with a single attached resistor. Internal 5V regulator. (requires attached...
SeekIC Buyer Protection PLUS - newly updated for 2013!
268 Transactions
All payment methods are secure and covered by SeekIC Buyer Protection PLUS.
HSOP 28-pin package, for application miniaturization.
A minimum of attached components.
Driver gain is adjustable with a single attached resistor.
Internal 5V regulator. (requires attached PNP transistor)
Internal standard operational amplifier.
Internal thermal shutdown function.
The output current between pins 1 and 2 is mutable with the external mute pin.

| Parameter | Symbol | Limits | Unit |
| Power supply voltage | Vcc |
18 | V |
| Power dissipation | Pd | 1.7* | W |
| Operating temperature | Topr | -35~+85 | |
| Storage temperature | Tstg | -55~+150 |
The BA6896FP is a 4-channel BTL driver designed for CD player motor and actuator drives. The internal 5V regulator and standard operational amplifier make this IC suitable for a wide spectrum of applications.