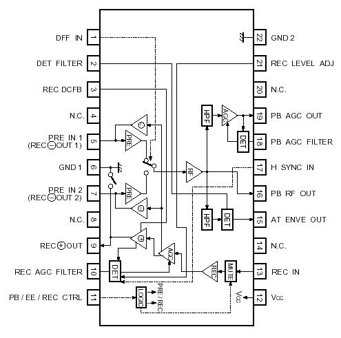
Features: 1) The playback amplifier has a total gain of 57dB (Typ.), and has a low-noise preamplifier. Designed for VHSband operation with low external parts count.The ICs have 2 circuits for 2-head VCR applications.2) Two playback output systems (through output and AGC output). The AGC output lev...
BA7180AS: Features: 1) The playback amplifier has a total gain of 57dB (Typ.), and has a low-noise preamplifier. Designed for VHSband operation with low external parts count.The ICs have 2 circuits for 2-head...
SeekIC Buyer Protection PLUS - newly updated for 2013!
268 Transactions
All payment methods are secure and covered by SeekIC Buyer Protection PLUS.
1) The playback amplifier has a total gain of 57dB (Typ.), and has a low-noise preamplifier. Designed for VHSband operation with low external parts count.The ICs have 2 circuits for 2-head VCR applications.
2) Two playback output systems (through output and AGC output). The AGC output level is 300mVP-P (Typ.); suitable for FM brightness signal output.
3) Auto-tracking interface for automated tracking adjustment. The detector characteristic is non-linear to improve tracking accuracy during playback of low signal levels.
4) The recording amplifier uses constant-current BLT drive that handles load variations (i.e. head impedance) well, and gives stable recording characteristics. A single circuit is provided for 2-head VCR use.
5) Built-in recording level AGC means adjustment of FM recording current is not necessary.
6) Head switches for 2-channel PRE / REC system provided.
7) Operates off a sigle 5V power supply, with low power dissipation.

|
Parameter |
Symbol |
Limits |
Unit | |
| Power supply voltage |
VCC |
7.0 |
V | |
| Power dissipation | BA7180AS |
Pd |
1000*1 |
W |
| BA7180AFS |
937.5*2 | |||
| Operating temperature |
Topr |
20 ~ + 65 |
°C | |
| Storage temperature |
Tstg |
- 55~+150 |
°C | |