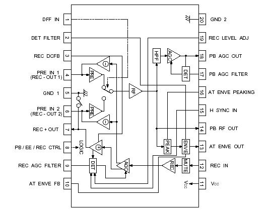
Features: 1) The playback amplifier has a total gain of 57dB(Typ.), and has a low-noise preamplifier. Designed for VHS-band operation with low external parts count. The IC has two circuits for two-head VCR applications.2) Two playback output systems (through output and AGC output). The AGC output ...
BA7181FS: Features: 1) The playback amplifier has a total gain of 57dB(Typ.), and has a low-noise preamplifier. Designed for VHS-band operation with low external parts count. The IC has two circuits for two-h...
SeekIC Buyer Protection PLUS - newly updated for 2013!
268 Transactions
All payment methods are secure and covered by SeekIC Buyer Protection PLUS.

|
Parameter |
Symbol |
Limits |
Unit |
| Applied voltage |
VCCMax. |
7.0 |
V |
| Power dissipation |
Pd |
937.5* |
mW |
| Operating temperature |
Topr |
20 ~ +65 |
°C |
| Storage temperature |
Tstg |
55 ~ + 150 |
°C |