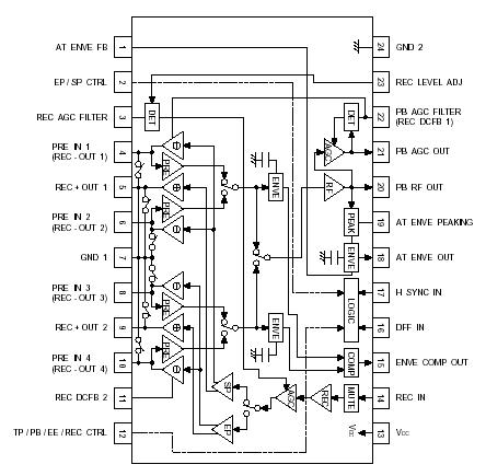
Features: 1) The playback amplifier has a total gain of 56dB (Typ.), and has a low-noise preamplifier. Designedfor VHS band operation with low external parts count. The IC has 4 circuits for 4-head VCR applications.2) Two playback output systems (through output and AGC output). The AGC output leve...
BA7184S: Features: 1) The playback amplifier has a total gain of 56dB (Typ.), and has a low-noise preamplifier. Designedfor VHS band operation with low external parts count. The IC has 4 circuits for 4-head ...
SeekIC Buyer Protection PLUS - newly updated for 2013!
268 Transactions
All payment methods are secure and covered by SeekIC Buyer Protection PLUS.
1) The playback amplifier has a total gain of 56dB (Typ.), and has a low-noise preamplifier. Designedfor VHS band operation with low external parts count. The IC has 4 circuits for 4-head VCR applications.
2) Two playback output systems (through output and AGC output). The AGC output level is 315mVP-P (Typ.); suitable for FM brightness signal output.
3) Auto-tracking interface for automated tracking adjustment. Linear detector characteristic with sensitivity that can be set using external components.
4) The recording amplifier uses constant-current BLT drive that handles load variations (i.e. headimpedance) well, and gives stable recording characteristics. 2 circuits are provided for 4-head VCR use.
5) Built-in recording level AGC means adjustment of FM recording current is not necessary.
6) Head switches for 4-channel PRE / REC system provided.
7) Operates off a single 5V power supply, with low power dissipation.

|
Parameter |
Symbol |
Limits |
Unit |
| Applied voltage |
VCC |
7.0 |
V |
| Power dissipation |
Pd |
1050*1 |
mW |
| Operating temperature range |
Topr |
20 ~ + 65 |
°C |
| Storage temperature range |
Tstg |
55 ~ + 125 |
°C |