Features: Three 2-input / 1-output switches (one with syncclamped inputs, the other two non-clamped).5V power supply.Low power consumption (62.5mW Typ.).Excellent frequency characteristics (10MHz, 0dB Typ.).Wide dynamic range (clamped input: 2.9VP-P Typ., non-clamped input: 3.0VP-P, Typ.).Fast swi...
BA7609: Features: Three 2-input / 1-output switches (one with syncclamped inputs, the other two non-clamped).5V power supply.Low power consumption (62.5mW Typ.).Excellent frequency characteristics (10MHz, 0...
SeekIC Buyer Protection PLUS - newly updated for 2013!
268 Transactions
All payment methods are secure and covered by SeekIC Buyer Protection PLUS.
Three 2-input / 1-output switches (one with syncclamped inputs, the other two non-clamped).
5V power supply.
Low power consumption (62.5mW Typ.).
Excellent frequency characteristics (10MHz, 0dB Typ.).
Wide dynamic range (clamped input: 2.9VP-P Typ., non-clamped input: 3.0VP-P, Typ.).
Fast switching speed (50ns Typ.).

| Parameter | Symbol | Limits | Unit |
| Power supply voltage | Vcc |
9 | V |
| Power dissipation | Pd | 500* | mW |
| Operating temperature | Topr | -40~+85 | |
| Storage temperature | Tstg | -55~+125 |
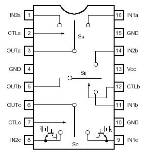
The BA7609 and BA7609F are switching ICs developed for use in VCRs. Each contains three two-channel analog multiplexers. As one of the switches has sync-tip clamp inputs and the other two have non-clamped inputs these ICs are ideal for switching audio, video and chroma signals.