Features: Can be directly coupled to the previous circuit. Each output can drive two loads.Application Video cassette recorders, televisions and camcordersPinoutSpecifications Parameter Symbol Limits Unit Power supply voltage Vcc 8.0 V Power dissipation Pd 550* mW Operating...
BA7623F: Features: Can be directly coupled to the previous circuit. Each output can drive two loads.Application Video cassette recorders, televisions and camcordersPinoutSpecifications Parameter Symbol...
SeekIC Buyer Protection PLUS - newly updated for 2013!
268 Transactions
All payment methods are secure and covered by SeekIC Buyer Protection PLUS.
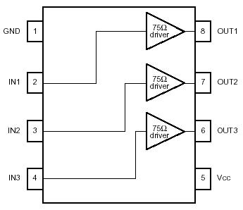
Can be directly coupled to the previous circuit.
Each output can drive two loads.

| Parameter | Symbol | Limits | Unit |
| Power supply voltage | Vcc |
8.0 | V |
| Power dissipation | Pd | 550* | mW |
| Operating temperature | Topr | -25~+75 | |
| Storage temperature | Tstg | -55~+125 |
The BA7623F is a 75 driver-IC developed for use in video equipment. Since the input is coming directly with no bias at the base pin, the DC potential for the previous stage can be used for direct DC coupling. Each output can drive two loads (75 * 2).