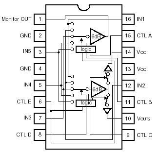
Features: 5-input / 3-output switches. 20k input impedance. Built-in 6dB amplifiers. 5V supply voltage.Application AV amplifiers (audio signals and S-pin chroma signals) and video selectorsPinoutSpecifications Parameter Symbol Limits Unit Power supply voltage Vcc 9 V Power dissip...
BA7626: Features: 5-input / 3-output switches. 20k input impedance. Built-in 6dB amplifiers. 5V supply voltage.Application AV amplifiers (audio signals and S-pin chroma signals) and video selectorsPinoutSpe...
SeekIC Buyer Protection PLUS - newly updated for 2013!
268 Transactions
All payment methods are secure and covered by SeekIC Buyer Protection PLUS.
5-input / 3-output switches.
20k input impedance.
Built-in 6dB amplifiers.
5V supply voltage.

| Parameter | Symbol | Limits | Unit |
| Power supply voltage | Vcc |
9 | V |
| Power dissipation | Pd | 500* | mW |
| Operating temperature | Topr | 25 ~+70 | |
| Storage temperature | Tstg | 55 ~ +125 |
The BA7626 and BA7626F are video signal switches that contain two five-channel analog multiplexers for switching chroma and audio signals, and two wide-band 6dB amplifiers. By simply adding transistor buffers to the outputs, it is possible to construct a record / playback switch for two record / playback VCRs, and three video playback machines (eg. laser desk players). Input switching and VCR record switching can be done independently. The inputs are terminated with 20k resistors, and are suitable for switching chroma and audio signals.