Features: Y / C MIX circuit. Low power consumption (typ. 130mW). Output mute circuit. Power save circuit. Output protection circuit. Sag compensation circuit allows small output coupling capacitors. Two-circuit drive possible for loads. Compact SSOP-A 16-pin package.Application Digital AV equipmen...
BA7665FS: Features: Y / C MIX circuit. Low power consumption (typ. 130mW). Output mute circuit. Power save circuit. Output protection circuit. Sag compensation circuit allows small output coupling capacitors....
SeekIC Buyer Protection PLUS - newly updated for 2013!
268 Transactions
All payment methods are secure and covered by SeekIC Buyer Protection PLUS.
Y / C MIX circuit.
Low power consumption (typ. 130mW).
Output mute circuit.
Power save circuit.
Output protection circuit.
Sag compensation circuit allows small output coupling capacitors.
Two-circuit drive possible for loads.
Compact SSOP-A 16-pin package.

| Parameter | Symbol | Limits | Unit |
| Power supply voltage | Vcc |
8 | V |
| Power dissipation | Pd | 650* | mW |
| Operating temperature | Topr | -25~+75 | |
| Storage temperature | Tstg | -55~+125 |
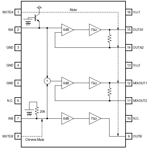
The BA7665FS has three 75 driver circuits with 6dB amplifiers, and includes a Y / C MIX circuit. The IC can provide a 75 drive with a composite Y signal, C signal, or a Y / C MIX signal. Dual-circuit drive capacity for each load is provided, and a sag compensation function is provided to allow use of smaller coupling capacitors.
The composite Y signal input is a sync-tip clamp input, and the chroma input is a biased input.
The three channels can be simultaneously muted, or the chroma signal only (in the case of C / Y output, only Y is output), and output short circuit protection and power save circuits are also provided.