Features: • Wide Analog Input Voltage Range . . . . . . . . . . ±5V Max• Low On Resistance - 70Ω Typical (VCC - VEE = 4.5V) - 40Ω Typical (VCC - VEE = 9V)• Low Crosstalk between Switches• Fast Switching and Propagation Speeds• Break-Before-Make Switchi...
CD74HC4053: Features: • Wide Analog Input Voltage Range . . . . . . . . . . ±5V Max• Low On Resistance - 70Ω Typical (VCC - VEE = 4.5V) - 40Ω Typical (VCC - VEE = 9V)• Low Crosst...
SeekIC Buyer Protection PLUS - newly updated for 2013!
268 Transactions
All payment methods are secure and covered by SeekIC Buyer Protection PLUS.

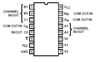
CD74HC4053 are digitally controlled analog switches whichutilize silicon gate CMOS technology to achieve operating
speeds similar to LSTTL with the low power consumption ofstandard CMOS integrated circuits.
CD74HC4053 analog multiplexers/demultiplexers control analogvoltages that may vary across the voltage supply range (i.e.
VCC to VEE). They are bidirectional switches thus allowingany analog input to be used as an output and vice-versa.The switches have low "on" resistance and low "off" leakages.In addition, all three devices have an enable control which, when high, disables all switches to their "off" state.