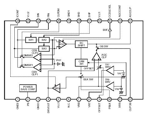
Features: • High sensitivity made possible by a high-gain AGC amplifier• Blanking function provided for the purpose of calibrating the CCD output signal black level• Regulator output pin provided for A/D converter reference voltage• Built-in sample-and-hold circuits for cam...
CXA2096N: Features: • High sensitivity made possible by a high-gain AGC amplifier• Blanking function provided for the purpose of calibrating the CCD output signal black level• Regulator outp...
SeekIC Buyer Protection PLUS - newly updated for 2013!
268 Transactions
All payment methods are secure and covered by SeekIC Buyer Protection PLUS.
