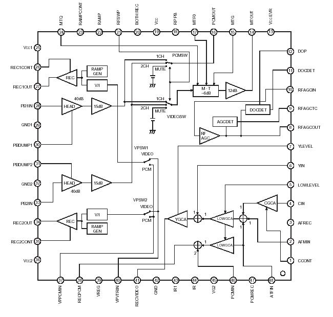
Features: • Recording/playback system• Wideband recording/playback amplifier for Hi8 VCR• Supports electronic volume (EVR) control (3V)• Recording system• Recording amplifier feedback dumping circuit and its EVR control function facilitates printed circuit board desig...
CXA2002R: Features: • Recording/playback system• Wideband recording/playback amplifier for Hi8 VCR• Supports electronic volume (EVR) control (3V)• Recording system• Recording amp...
SeekIC Buyer Protection PLUS - newly updated for 2013!
268 Transactions
All payment methods are secure and covered by SeekIC Buyer Protection PLUS.
• Recording/playback system
• Wideband recording/playback amplifier for Hi8 VCR
• Supports electronic volume (EVR) control (3V)
• Recording system
• Recording amplifier feedback dumping circuit and its EVR control function facilitates printed circuit board design.
• Five-input (Y, chroma, AFM, ATF and PCM) mix amplifier and EVR control function of Y and lowband recording level
• Ramp circuit for the recording amplifier output bias current
• Playback system
• Playback amplifier feedback dumping circuit facilitates printed circuit board design.
• Middle-band compensation circuit (middle tune) and independent adjustments of the center frequency, Q and boost by EVR
• RFAGC and dropout detection circuits
