Features: • High sensitivity made possible by a high-gain AGC amplifier• Blanking function provided for the purpose of calibrating the CCD output signal black level• Regulator output pin provided for A/D converter reference voltage• Built-in GCA and AMP for amplifying video...
CXA2006Q: Features: • High sensitivity made possible by a high-gain AGC amplifier• Blanking function provided for the purpose of calibrating the CCD output signal black level• Regulator outp...
SeekIC Buyer Protection PLUS - newly updated for 2013!
268 Transactions
All payment methods are secure and covered by SeekIC Buyer Protection PLUS.

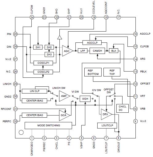
The CXA2006Q is a bipolar IC developed as a head amplifier for digital CCD cameras. This IC provides the following functions: correlated double sampling, AGC for the CCD signal, GCA for the lowband chroma signal, AMP for high-band chroma and line signals, A/D sample and hold, blanking, A/D reference voltage, and an output driver.