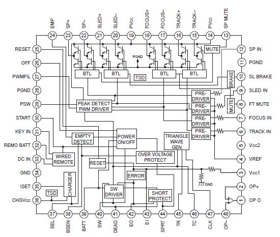
Features: • 4 channels of H-bridge drivers• PWM regulated power supply for H-bridge output stages• Step-up DC to DC converter controller for system power supply• Start and off controls with soft start capability• Reset pulse• Short circuit protect• Over-vo...
CXA2534Q: Features: • 4 channels of H-bridge drivers• PWM regulated power supply for H-bridge output stages• Step-up DC to DC converter controller for system power supply• Start and of...
SeekIC Buyer Protection PLUS - newly updated for 2013!
268 Transactions
All payment methods are secure and covered by SeekIC Buyer Protection PLUS.

|
Item |
Symbol |
Rating |
Unit |
| Supply voltage |
VCC1,VCC2,PVCC |
13.5 |
V |
| Spindle channel output current |
Io(spindle) |
400 |
mA |
| Sled channel output current |
Io(sled) |
300 |
mA |
| Focus channel output current |
Io(focus) |
200 |
mA |
| Track channel output current |
Io(track) |
200 |
mA |
| Allowable power dissipation |
PD |
660 |
mW |
| operating temperature |
Topr |
20 to +75 |
°C |
| Storage temperature |
Tstg |
65 to +150 |
°C |
CXA2534Q is a 4-channel H-bridge motor driver IC designed for portable CD systems. It has a built-in DC to DC converter controller that allows voltage step-up to typically 3.2 V; this voltage can be used to power the system DSP, SSP and micro-controller. In addition, CXA2534Q also provides a PWM regulated power supply to the H-bridge output stage so as to ensure high efficiency.