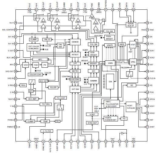
Features: • Color LCD panel DCX501BK and LCX018AK driver• Supports NTSC and PAL signals• Supports 16:9 wide display• Supports composite inputs, Y/C inputs and Y/color difference inputs• Serial interface circuit• Electronic attenuators (D/A converter)• BPF,...
CXA2543R: Features: • Color LCD panel DCX501BK and LCX018AK driver• Supports NTSC and PAL signals• Supports 16:9 wide display• Supports composite inputs, Y/C inputs and Y/color differe...
SeekIC Buyer Protection PLUS - newly updated for 2013!
268 Transactions
All payment methods are secure and covered by SeekIC Buyer Protection PLUS.

The CXA2543R is an IC designed exclusively to drive the color LCD panel DCX501BK and LCX018AK.
This IC CXA2543R greatly reduces the number of circuits and parts required to drive LCD panels by incorporating RGB decoder functions for video signals, driver functions, and a timing generator for driving panels onto a single chip.
This chip CXA2543R has a built-in serial interface circuit and electronic attenuators which allow various mode settings and adjustments to be performed through direct control from an external microcomputer, etc.